1326型壓力變送器采用進口硅壓阻式隔離膜充油芯體作為信號測量元件,被測介質壓力經過變送器上的散熱結構傳遞到傳感器,位于不銹鋼殼體內的信號處理電路,將傳感器信號轉換為標準輸出信號。整個產品經過了元器件、半成品及成品的嚴格測試及老化篩選,性能穩定可靠。

1326耐高溫壓力變送器
對316L不銹鋼無腐蝕的氣體、液體壓力測量。
應用于石油、化工、冶金、電力、水文等工業過程現場。
船舶及航空工業領域。
液壓及氣動控制系統。
應用于醫療、生物制品、食品衛生等行業。
1326耐高溫壓力變送器特點
測量范圍廣,全不銹鋼結構,壓力接口形式多樣,防護等級IP65;
輸出信號形式多樣,現場可調;
| 技術參數 | |
|---|---|
| 量程范圍: | -0.1~0或0~0.01MPa或0~100MPa |
| 允許過載: | ≤額定量程的1.5倍 |
| 壓力類型: | 表壓、絕壓、密封參考壓型 |
| 精確度: | ±0.25%(典型)±0.5%(最大) |
| 長期穩定性: | ±0.1%F.S/年(典型) ±0.2%F.S/年(最大) |
| 零點溫度漂移: | ±0.03%F.S/℃(≦100KPa) ±0.02%F.S/℃(>100KPa)±0.02%F.S/℃(>100KPa) |
| 滿度溫度漂移: | ±0.03%F.S/℃(≦100KPa) ±0.02%F.S/℃(>100KPa) |
| 工作溫度: | -20℃~80℃ |
| 貯存溫度: | -40℃~120℃ |
| 供電電源: | 15~30VDC(本安型經安全柵供電) |
| 輸出信號: | 4~20mA 0~10/20mA 0/1~5VDC |
| 壓力接口: | 卡箍式法蘭接口(φ50.4) |
| 外殼材質: | 304不銹鋼 |
| 膜片材質: | 316L不銹鋼 |
| O型密封圈: | 氟橡膠 |
| 電纜: | 聚乙烯 |
| 絕緣電阻: | 100MΩ 100VDC |
| 外殼防護等級: | IP65 |

| 選型代碼 | ||||||||
|---|---|---|---|---|---|---|---|---|
| 1326- | 1 | 2 | 3 | 4 | 5 | 6 | 7 | 8 |
| 量程范圍 -0.1~0或0~0.01MPa或0~100MPa(X:表示實際測量量程上線) | ||||||||
| 1 | XK | (0-x)Kpa | ||||||
| XM | 0-x)Mpa | |||||||
| 2 | 外形規格 | |||||||
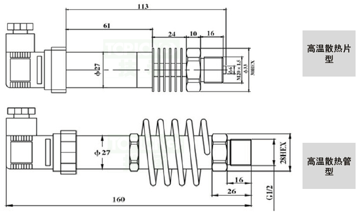
| A | 高溫散熱管型 | |||||||
| B | 高溫散熱片型 | |||||||
| 3 | 供電電源 | |||||||
| D1 | 15~30VDC | |||||||
| D3 | 其它供電方式 | |||||||
| 4 | 輸出信號 | |||||||
| S1 | 4~20mADC | |||||||
| S2 | 1~5VDC | |||||||
| S3 | 0~5V | |||||||
| S4 | 0~10mADC | |||||||
| S5 | 0~20mADC | |||||||
| 5 | 精度等級 | |||||||
| A | 0.1%F.S | |||||||
| B | 0.25%F.S | |||||||
| C | 0.5%F.S | |||||||
| 6 | 螺紋接口 | |||||||
| J1 | M20×1.5外螺紋 | |||||||
| J2 | G1/2 外螺紋 | |||||||
| J3 | G1/4外螺紋 | |||||||
| J5 | 其它特殊螺紋 | |||||||
| 7 | 壓力類型 | |||||||
| G | 表壓(*常規選項) | |||||||
| A | 絕壓 | |||||||
| S | 密封參考壓 | |||||||
| 8 | OEM定制 | |||||||
| / | 無定制內容常規出貨 | |||||||
| A | 無銘牌光版定制產品 | |||||||
| B | 指定銘牌指定商標產品 | |||||||
與”1326耐高溫壓力變送器“相關產品
與”1326耐高溫壓力變送器“相關閱讀